Home Constant Current LPF200W-400-PC1400-RDNFC 200W Wireless Programming LED Driver with 12V Auxiliary by EPtronics
Specification Sheet
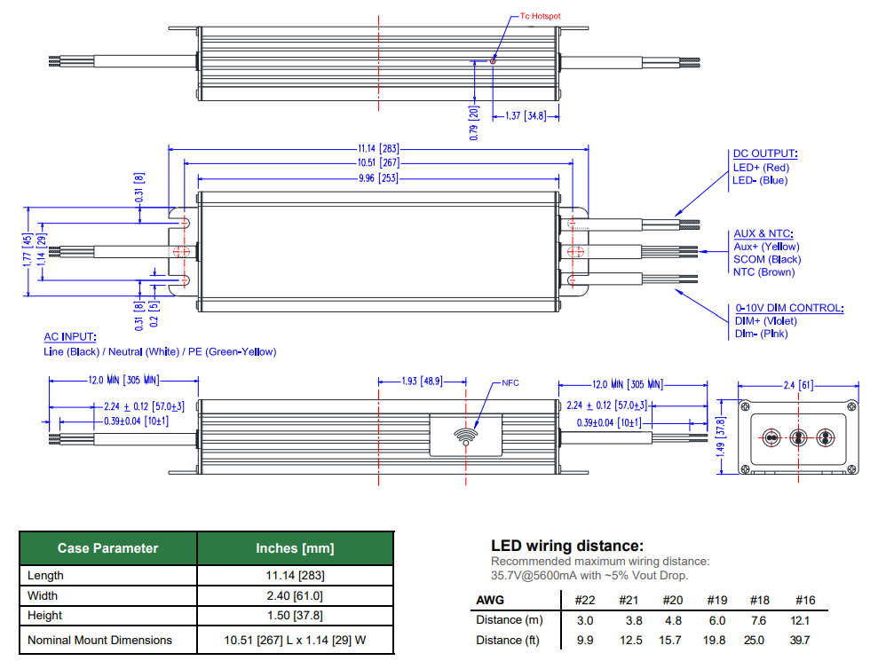
Dimensions

LPF200W-400-PC1400-RDNFC 200W Wireless Programming LED Driver with 12V Auxiliary by EPtronics

$182.17

  • LPF200W Series (200 Watt)
  • Constant Current Programmable LED Driver
  • Dimming Option: Programmable 0-10V Linear or LOG Dimming 1% – 100%
  • Auxiliary Output: 12VDC @ 0 – 200mA
  • Output Voltage: 400VDC
  • Output Current: 1400mA
  • Input Universal AC: 120 – 277VAC, 50/60Hz
  • Safety: UL8750, CSA 22.2 Listed Class P, Type HL ((Hazloc)
  • Water resistant and Dust Proof: IP67, NEMA4, for Dry and Damp Locations

Please specify the desired current output (mA) in the box below. If you do not know it, please specify the manufacturer and model number of the fixture or contact us for assistance.

SKU :
LPF200W-400-PC1400-RDNFC
Brand :
EPtronics
Max Wattage :
200W
Input Voltage Range :
100-305V
Output Voltage :
71-400V
Current Range :
200-1400mA
Default Current :
1400mA
Dimmable :
0-10V
Dimming Range :
1-100%
Dimensions (L x W x H) :
11.14" x 2.40" x 1.50"

Join Our Newsletter Now

Be in the light with lighting news and promotions.