Home Constant Current LUC-012S070SSM Constant Current LED Driver by Inventronics
Specification Sheet
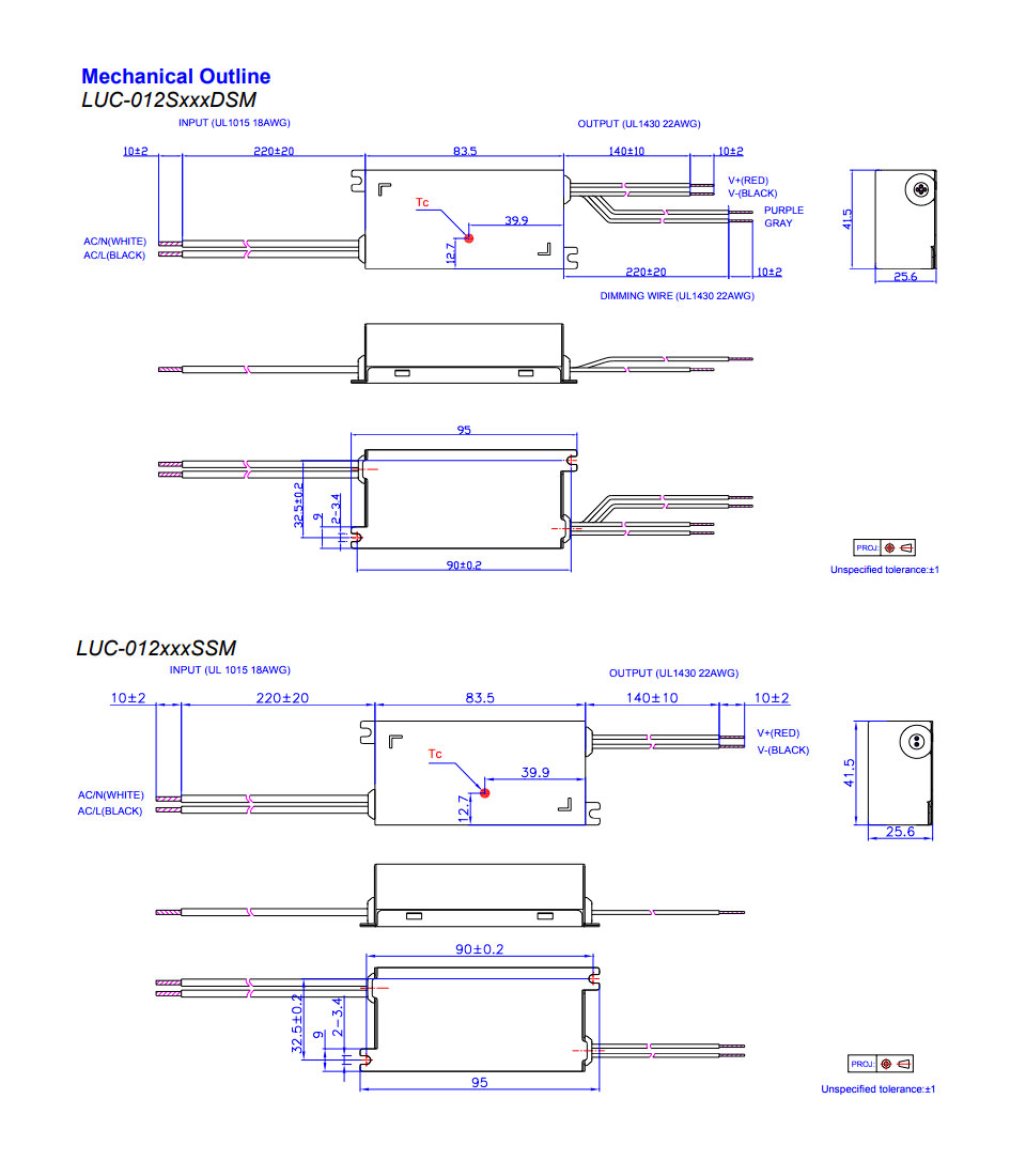
Dimensions

LUC-012S070SSM Constant Current LED Driver by Inventronics

$21.52

The LUC-012SxxxDSM(SSM) series operates from a 90 ~ 305 Vac input range. They are designed to be highly efficient and reliable. Features include open lamp, short circuit and over load protections.

  • 0 -10V Dimmable (Compatible with Passive Dimmers)
  • Constant Current Output
  • High Efficiency
  • Active Power Factor Correction
  • All-Around Protection: OLP, SCP and Open Lamp Protection
  • Class 2 & SELV Output

SKU :
LUC-012S070SSM
Brand :
Inventronics
Max Wattage :
12W
Input Voltage Range :
90-305V
Output Voltage :
12-24V
Current Range :
500mA
Default Current :
500mA
Dimmable :
0-10V
Dimming Range :
10-100%
Dimensions (L x W x H) :
3.29" ×1.64" × 1.01"

Join Our Newsletter Now

Be in the light with lighting news and promotions.