(317) 969-5337
info@marvellighting.com
Register
Sign in
My Account
Wishlist
0
0
Cart
$0.00
CONSTANT CURRENT
CONSTANT POWER
CONSTANT VOLTAGE
TRANSFORMERS
EMERGENCY
MANUFACTURERS
FAQ
CONTACT US
menu
CONSTANT CURRENT
CONSTANT POWER
CONSTANT VOLTAGE
TRANSFORMERS
EMERGENCY
MANUFACTURERS
FAQ
CONTACT US
(317) 969-5337
info@marvellighting.com
Home
Constant Current
PYCC-2U1UNV080S-40C 40W Selectable Constant Current LED Driver by Fulham
Additional Information
Specification Sheet
Download
Dimensions
Download
PYCC-2U1UNV080S-40C 40W Selectable Constant Current LED Driver by Fulham
$27.53
cULus listed, Class P
Universal Input: 120VAC - 277VAC
4-Position Current Selectable Switch
0-10V or Phase@120VAC dimmable from 100%-10%
Compact form factor with wires
IP20 Rated
EMI: FCC Part 15 Class A
Class 2 Output
5 Year Warranty
Add to Cart
SKU :
PYCC-2U1UNV080S-40C
Brand :
Fulham
Max Wattage :
40W
Input Voltage Range :
120-277V
Output Voltage :
30-42V
Current Range :
650mA / 700mA / 750mA / 800mA
Dimmable :
0-10V, Phase Cut
Dimming Range :
10-100%
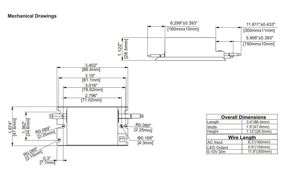
Dimensions (L x W x H) :
3.40"x 1.90"x 1.12"
Join Our Newsletter Now
Be in the light with lighting news and promotions.
Subscribe